W8ECG Repeater in Fostoria. MI   443.450

What's been happening by date: 2003 entries

10-27-2003 - N8YJN and KG8ID visited the Deanville site Saturday to make sure it was secure for winter and to brain storm placing a packet station there, the damage found was to the extent that work will have to be done there first, this will be put off until spring.

10-15-2003 - Attended the LCARA meeting last night and while I was sitting there I remembered that I need some dental work done, I met Hank/K8DD, a serious DX'er and an interesting person to talk to, we discussed placing a packet node on Deanville.

09-24-2003 - Here is a picture of our contraption to change the camera position without climbing.

09-22-2003 - In one of our brain storming sessions we got the most excellent ideal of mounting the camera on a side arm on an old TV style rotor, no more climbing the tower to switch from East to West and back. We are currently working on this project.

09-17-2003 - The tower camera is currently pointing East, I will turn it 180 degrees soon to watch the deer.

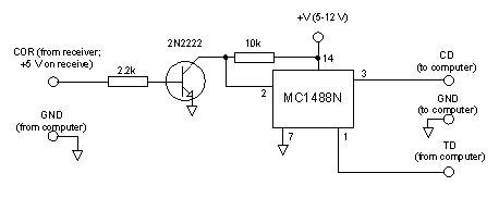
08-19-2003 - I have been speaking with Todd (KA8WYN) about linking back to Warren via WIRES, we are currently looking into this.

08-12-2003 - N2KPK took the time to figure out how to reproduce the Modat sound for a courtesy tone on the PRS controller, the sound was developed by Motorola as a signaling protocol (signaling, emergency, status, etc.). Here is a wave file of the sound.

07-22-2003 - Vinyl siding on repeater building is complete, thanks Victor Miller and Wally (KC8RVP), I am still waiting on the replacement PE-3 to get the WIRES back up and running.

07-18-2003 - KC8RVP and KG8ID reworked the roof on the repeater building last Saturday and vinyl siding will be installed by Vic Miller and KG8ID soon, if you are going to have expensive equipment in a building, construct the building very well.

07-08-2003 - Thanks to those that helped at North Branch Days. You are appreciated.

06-30-2003 - The WIRES node will be back up shortly and the repeater web cam also, vacation is over and it's time to play ham radio. Interference is gone, hopefully forever... Link to Bad Axe is still working great, I have talked to operators in Port Huron and East Tawas from my lawn chair in the shade in North Branch. ARR Pre-Amp is still working great, the duplexer was the problem. Repeater receive is better then ever, I received a controller S-meter of S-7 from Hemans campground which is 60 miles North.

06-16-2003 - Waited for the weekend in hopes of tracking down the interference and no noise all weekend, the link is active to Bad Axe, 443.550 PL of 114.8. Thanks to Todd for all his efforts on the Shyster Broadcasting Network.

06-11-2003 - I used a free program called VOX to record the input frequency to see if I can determine what the noise is, from a technical stand point I actually enjoy a challenge. We are continuing to test the Bad Axe link equipment and are looking forward to having it up soon. Pre-amp has been running one month with no problems.

06-10-2003 - Todd has the equipment repaired for the link from Bad Axe to the W8ECG and we may work on getting the link back to Warren, MI - see the Link coverage map above.

05-27-2003 - Noise noise noise, with the new duplexer and the receive pre-amp back in line we are hearing something, it might be the Branford back again, more investigation needed. 100Hz PL may be on.

05-14-2003 - Replaced aluminum rack with shelves for equipment. Equipment is lower in building and should stay cooler.

05-12-2003 - The TX/RX duplexer has been replaced with a Phelps Dodge 6 cavity duplexer, the pre-amp is back in-line.

05-07-2003 - The pre-amp is back from ARR repair and I am purchasing a Phelps Dodge duplexer, this should make an improvement to the repeaters receive. If the duplexer is the cause of the failure of the pre-amp this will prove that.

04-19-2003 - Believe it or not the pre-amp is out again, Jay at ARR gave me 2 options, have it repaired or return for refund, I choose to have it repaired because I would really like to find out what the problem is.

04-18-2003 - We tried to do some testing at the BigTube tower site with the antenna's that were left from a previous UHF repeater that was there, we found these antenna's and feed line to be in bad shape and not suitable for our test. The WIRES node is down.

04-01-2003 - I am entertaining the ideal of moving the repeater 5 miles North to a much higher elevation, I will conduct a test at this new location as soon as possible. If this proves satisfactory our existing tower will be used for wireless internet. This is not an April fools joke...

03-11-2003 - Pre-amp or receiver fuse as we are starting to call it is not working again, I have contacted ARR. Thank again to N8YJN for help in testing.

03-14-2003 - WIRES is running again - Node 1194.

03-12-2003 - Pre-amp is back from repair at Advanced Receiver Research, it was repaired at no cost due to the same part defective again. I will put it back in line tonight.

02-26-2003 - Problem with receive again and the pre-amp was found defective again, unit was sent back to Advanced Receiver Research for service on 02-25-2003, they will warranty the last work if that is the problem again. Receive is actually pretty good without the pre-amp, thanks to N8YJN for help in testing.

02-17-2003 - We had echolink running, then WIRES II, now echolink again, we built the THE WB2REM-G4CDY ECHOLINK BOARD and the sample interface circuit from K1RFD and we are testing. It seems to be working good. We would like to have both running sometime soon. WIRES was a lot easier to interface and if you buy the right radio and cable it's plug -n- play.

02-07-2003 - I am currently playing with echoLink and WIRES II, internet linking software and hardware, I have applied for an ID on the WIRES II network.

01-31-2003 - I am currently looking for a Kenwood TM-321 or TM-331 and also a Doug Hall RBI-1. These are both available new but I would like to find them cheaper used if possible, these will be used to link to the 224.480 in Flint for MiCon, this will be a direct link, we are working on a link map and it will be displayed here when finished.

01-16-2003 - See you at the Amateur Radio And Youth swap in Flushing, MI on Saturday.

01-03-2003 - The Vertex repeater is now being used - it seems to be working good, we will continue testing.

01-02-2003 - I am in the process of selling most of the backup items for the repeater on ebay, call it spring cleaning or whatever but I cannot afford to have this much money in items just sitting around. These items will be sold, 100 Watt UHF amp, High amp open frame power supply, Kenwood UHF repeater, Pacific Research Solutions RI-300 controller and maybe more.

 

Back to Repeater Page

Back to Main Page